EX Seriesのこだわり

SOUNDMAGICのEXシリーズのカタログでは見れない作成企画段階の設計から大型25mm厚MDFの棚板を採用等こだわり部分を紹介致します。
マッキントシュ等の重量がある大型機材が下段からの組み上げ式オーディオラックEXシリーズで楽にセッティングが出来ます。(機材を置いていくので棚板が傷つきにくい)
また、別オプションのクローム支柱が継ぎ足し可能ですので機材の高さも気にせず収まります。
※こだわりの画像はEXM3Crで説明してます

EXシリーズ構造とシェイプ計算確認画像

S/M/L棚板比較とパイク立て 設計寸法図

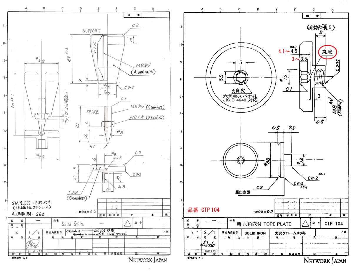
SPIKEとTOP PLATEの設計図

SOUNDMAGIC EXシリーズ4つのこだわり

大型の棚板を採用(25mm厚MDF/有効棚板寸法W485xD645mm)でMcIntoshの大型アンプも搭載可能。※EXLシリーズ

各棚板四隅はクロームスパイク支柱受 CTP140を使用しておりスパイク付オーディオボードの追加が出来ます。 CTP140は不要な振動を格段においてアースをより一層強化、振動による不要な音をシャットアウトして、よりPUREな再生音 音のチューニングの為にあえて軟鉄を使用して普通鋼と同じように振動を殺さず、程良い音のたちあがりで低域がしまり、のびやかな味わいのある再生音を実現します。

上段、中段の支柱はクローム支柱 CPAS105使用。 オプションで支柱を2連結すれば有効棚板空間の高さが290mmと高くなり、高さのある機材も設置出来ます。

標準で中型スパイク受けTS38を採用し、足元のクロームスパイク支柱 CSB50+クロームスパイク CCP08をさらに安定させます。